Μεταλλόβιδες (μηχανόβιδες) DIN 7985 με κυλινδρικό κεφάλι σταυρό inox A2 04 x 030
Μεταλλόβιδες (μηχανόβιδες) με κυλινδρικό κεφάλι (ψωμάκι) σταυρό (αγγλ. machine screws) inox A2, κατά DIN 7985.
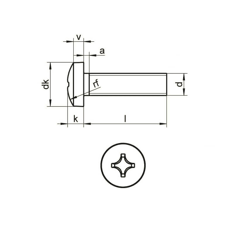
Στον παρακάτω πίνακα φαίνονται οι διαστάσεις:
| d (mm) | 1.6 | 2 | 2.5 | 3 | 3.5 | 4 | 5 | 6 | 8 |
| σπείρωμα (mm) | 0.35 | 0.4 | 0.45 | 0.5 | 0.6 | 0.7 | 0.8 | 1 | 1.25 |
| k (mm) | 1.3 | 1.6 | 2 | 2.4 | 2.7 | 3.1 | 3.8 | 4.6 | 6 |
| dk max (mm) | 3.2 | 4 | 5 | 6 | 7 | 8 | 10 | 12 | 16 |
| m ≈ (mm) | 1.8 | 2.5 | 2.7 | 3.1 | 4 | 4.6 | 5.3 | 6.8 | 9 |
| rf ≈ (mm) | 3 | 4 | 5 | 6 | 8 | 10 | 12 | 16 | |
| a max (mm) | 0.7 | 0.8 | 0.9 | 1 | 1.4 | 1.6 | 2 | 2.5 | |
| v ≈ (mm) | 0.8 | 1.1 | 1.3 | 1.6 | 2 | 2.5 | 3 | 3.7 | |
| Nr Phillips (Ph) | 1 | 1 | 1 | 2 | 2 | 3 | 4 |
(Machine screws DIN 7985 inox A2)
Επιπλέον, προσφέρεται έκπτωση 25% για αγορά ενός κουτιού και 30% για αγορά πέντε κουτιών (τα τεμάχια ανά κουτί ποικίλουν ανά διάσταση). Εάν επιθυμείτε μεγάλες ποσότητες, επικοινωνήστε μαζί μας για επιπλέον εκπτώσεις.







