Βίδες άλλεν DIN 912 8.8 γαλβανιζέ 16 x 045
Βίδες άλλεν (αγγλ. allen bolts) γαλβανιζέ, με κανονικό κεφάλι (στρογγυλό) κατά DIN 912 ποιότητας 8.8. Είναι βίδες που χρησιμοποιούνται συνήθως σε μηχανουργικές εργασίες.
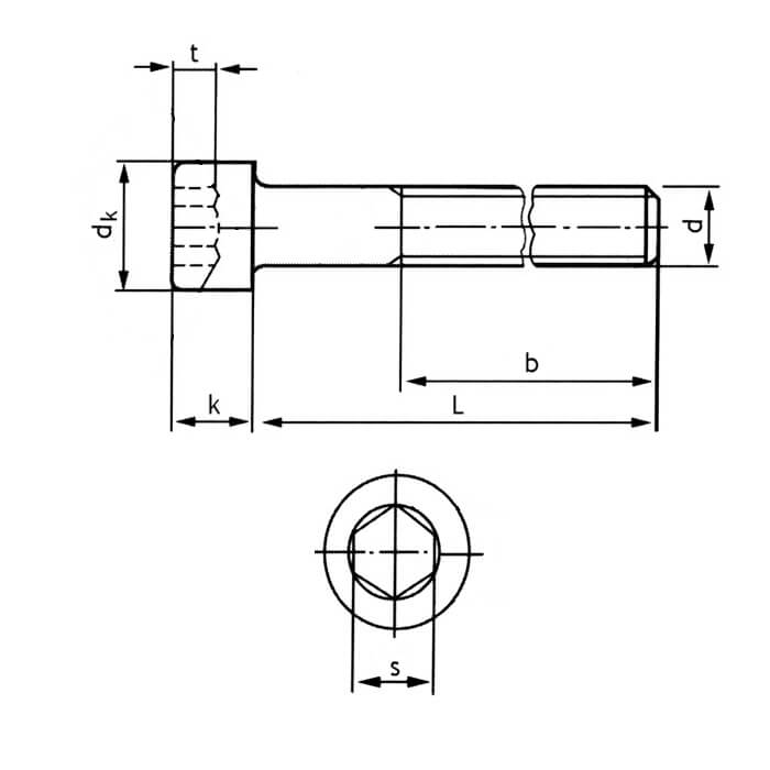
Στον παρακάτω πίνακα φαίνονται οι διαστάσεις:
| d (mm) | 2 | 2.5 | 3 | 4 | 5 | 6 | 8 | 10 | 12 | 14 | 16 | 18 |
| σπείρωμα | 0.4 | 0.45 | 0.5 | 0.7 | 0.8 | 1 | 1.25 | 1.5 | 1.75 | 2 | 2 | 2.5 |
| k max (mm) | 2.0 | 2.4 | 3.0 | 4.0 | 5.0 | 6.0 | 8.0 | 10.0 | 12.0 | 14.0 | 16.0 | 18 |
| dk (mm) | 3.8 | 4.5 | 5.5 | 7 | 8.5 | 10 | 13 | 16 | 18 | 21 | 24 | 27 |
| s (mm) | 1.5 | 2 | 2.5 | 3 | 4 | 5 | 6 | 8 | 10 | 12 | 14 | 14 |
| t min (mm) | 1 | 1.1 | 1.3 | 2 | 2.5 | 3 | 4 | 5 | 6 | 7 | 8 | 9 |
| b (mm) | 16 | 17 | 18 | 20 | 22 | 24 | 28 | 32 | 36 | 40 | 44 | 48 |
| d (mm) | 20 | 22 | 24 | 27 | 30 | 33 | 36 | 42 | 48 | |||
| σπείρωμα | 2.5 | 2.5 | 3 | 3 | 3.5 | 3.5 | 4 | 4.5 | 5.0 | |||
| k max (mm) | 20 | 22 | 24 | 27 | 30 | 33 | 36 | 42 | 48 | |||
| dk (mm) | 30 | 33 | 36 | 40 | 45 | 50 | 54 | 63 | 72 | |||
| s (mm) | 17 | 17 | 19 | 19 | 22 | 24 | 27 | 32 | 36 | |||
| t min (mm) | 10 | 11 | 12 | 13.5 | 15.5 | 18 | 19 | 24 | 28 | |||
| b (mm) | 52 | 56 | 60 | 66 | 72 | 78 | 84 | 96 | 108 | |||
(Allen bolts 912 8.8. galvanized)
Επιπλέον, προσφέρεται έκπτωση 25% για αγορά ενός κουτιού και 30% για αγορά πέντε κουτιών (τα τεμάχια ανά κουτί ποικίλουν ανά διάσταση). Εάν επιθυμείτε μεγάλες ποσότητες, επικοινωνήστε μαζί μας για επιπλέον εκπτώσεις.







