Βίδες εξάγωνες DIN 933 8.8 γαλβανιζέ 14 x 050
Βίδες εξάγωνες (αγγλ. hexagon bolts) γαλβανιζέ, χωρίς κορμό (όλο σπείρωμα) κατά DIN 933 ποιότητας 8.8. Είναι βίδες που χρησιμοποιούνται ευρέως σε ένα πλήθος εφαρμογών. Η αντοχή σε εφελκυσμό καθορίζεται από την ενεργό διατομή της περιοχής του σπειρώματος.
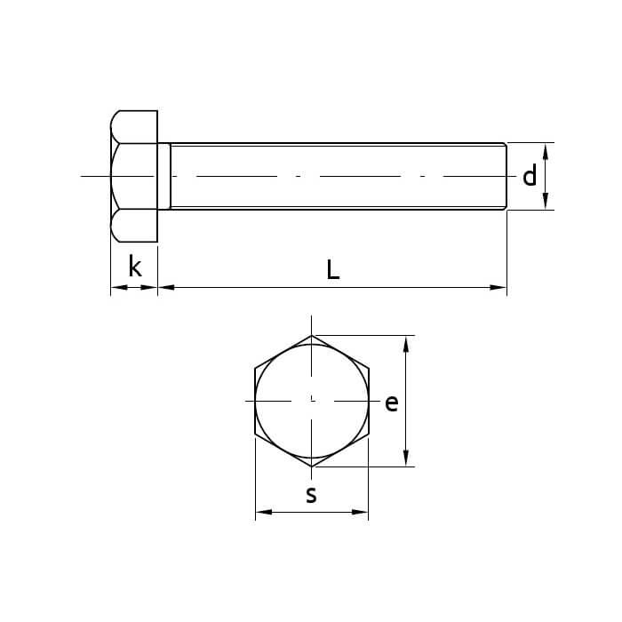
Στον παρακάτω πίνακα φαίνονται οι διαστάσεις:
| d (mm) | 3 | 4 | 5 | 6 | 7 | 8 | 10 | 12 | 14 | 16 | 18 | 20 |
| σπείρωμα (mm) | 0.5 | 0.7 | 0.8 | 1 | 1 | 1.25 | 1.5 | 1.75 | 2 | 2 | 2.5 | 2.5 |
| k (mm) | 2.0 | 2.8 | 3.5 | 4.0 | 4.8 | 5.3 | 6.4 | 7.5 | 8.8 | 10.0 | 11.5 | 12.5 |
| s (mm) | 5.5 | 7 | 8 | 10 | 11 | 13 | 17 | 19 | 22 | 24 | 27 | 30 |
| e (mm) | 7.66 | 8.79 | 11.05 | 14.38 | 18.90 | 21.10 | 24.49 | 26.75 | 30.14 | 33.53 | ||
| d (mm) | 22 | 24 | 27 | 30 | 33 | 36 | 39 | 42 | 45 | 48 | ||
| σπείρωμα (mm) | 2.5 | 3 | 3 | 3.5 | 3.5 | 4 | 4 | 4.5 | 4.5 | 5 | ||
| k (mm) | 14 | 15 | 17 | 18.7 | 21 | 22.5 | 25 | 26 | 28 | 30 | ||
| s (mm) | 32 | 36 | 41 | 46 | 50 | 55 | 60 | 65 | 70 | 75 | ||
| e (mm) | 35.72 | 39.98 | ||||||||||
(Hexagon head bolts zinc plated DIN 933 8.8.)







